WN-fläns EEMUA 234/145 UNS 7060X, OD 30MM X THK 2,5MM, FF, 20 BAR
Desvetshalsflänsär ansluten till rörledningen genom det långa navet, och en jämn övergångsyta bildas efter svetsning. Detta kan effektivt minska stresskoncentrationen genom att applicera en miljö med högt tryck och hög temperatur.
EEMUA 234/EEMUA 145 är en standard för koppar-nickelflänsar och rörledningar publicerad av brittiska EEMUA (Engineering Equipment and Materials Users Association). Baserat på EEMUA 145:s material, design och tillverkningskrav, är svetsade flänsar allmänt tillämpbara vid tillfällen som kräver utmärkt korrosionsbeständighet, särskilt i system som är i kontakt med havsvatten och korrosiva medier, såsom fartygsindustrin, marin industri, utrustning för avsaltning av havsvatten. och kemisk industri.
Standard: EEMUA 234/EEMUA 145
Material: UNS C7060X
Tryckbetyg: 20 bar
Storlek: OD 30mm
Typ av flänsyta: FF (Flat Face)
Användning: Lämplig för medeltryckssystem
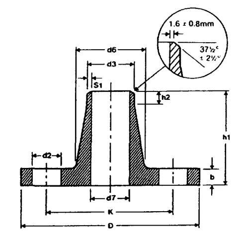
C7060X Svetshalsflänsstorlek & egenskaper
Storlek & Tolerans
Storlek: 1"/30mm
D: 108 mm ±2
b: 16 mm +3.5/-0
d6: 42 mm ±0.5
d3: 30 mm
h1: 56 mm ±1,5
d7: 25 mm ±0.54
S1 (min): 2,5 mm
h2: 8 mm
K: 79,4 mm ±0.45
d2: 4 x 15.9 +0.5/-0

CuNi 90/10 kemisk sammansättning (%)
| Cu | Pb | Fe | Ni | Zn | Mn | S | P | C |
| Vila | Mindre än eller lika med 0.01 | 1.50-2.00 | 10.00-11.00 | Mindre än eller lika med 0.20 | 0.50-1.00 | Mindre än eller lika med 0.020 | Mindre än eller lika med 0.020 | Mindre än eller lika med 0.05 |
Järn: för att öka styrkan och korrosionsbeständigheten
Mekaniska egenskaper
| Draghållfasthet | Sträckstyrka | Förlängning | Hårdhet |
| Större än eller lika med 280 MPa | Större än eller lika med 105 | Större än eller lika med 30 % | Mindre än eller lika med 120 HV |
Performance av C7060X Weld Neck Flange
Korrosionsbeständighet: Utmärkt
Mekanisk styrka: Hög
Svetsprestanda: Bra
Tätningsprestanda: Bra och stabilt
Förväntade ansökningar
industrier
Marinteknik
Varvsindustrin
Kemisk och petrokemisk industri
Energiteknik
System
Havsvattenkylningssystem
Kemisk reaktionsanordning och transportsystem
Utrustning för avsaltning av havsvatten och värmeväxlarsystem
Ballastvattensystem
Rörledningssystem för fartygsbrandskydd
Frätande mediumtransport

